服務熱線
深圳市薩科微slkor(m.jj-led.cn)半導體有限公司技術骨干來自清華大學,以新材料新工藝新產品引領公司發展,掌握國際領先的第三代半導體碳化硅功率器件技術。薩科微集電子產品的設計開發、生產和銷售一體化的高新科技企業,為客戶提供可靠的產品和配套的技術服務。
1.1名稱:薩科微SL-W-TRS-5.5D1數字紅外測溫傳感器在新能源充電樁的創新應用
1.2應用:基于薩科微SL-W-TRS-5.5D1數字紅外熱電堆的高精度數字輸出測溫應用
1.3芯片功能:
傳感器如同紐帶一般,連接著物理與數字兩個世界,成為智能電子電路不可或缺的重要部分。薩科微SL-W-TRS-5.5D1 TO-46 封裝,視場角 FOV = 90°是一款高精度直插式的數字紅外熱電傳感器,集成了MEMS熱電堆傳感器、NTC及信號調解ASIC芯片用于非接觸測溫應用。直接通過 I2C 總線與傳感器進行通訊讀取。芯片本身附帶 5mm 和 8mm 金屬筒的標準型號,可以在-40℃~130℃溫度環境中應用。芯片能測量液體溫度、物體溫度(表溫)、人體溫度等,自帶測量算法,測量溫度范圍在-40℃~530℃之間。
1.4薩科微SL-W-TRS-5.5D1外觀及電性圖:


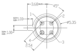
1.5管腳定義
2.薩科微SL-W-TRS-5.5D1典型結構框架及應用模塊
slkor薩科微SL-W-TRS-5.5D1紅外數字溫度傳感器應用方案(圖一)
應用模塊一 應用模塊二
3.薩科微SL-W-TRS-5.5D1新能源充電樁應用場景
隨著新能源汽車產業的蓬勃發展,新能源充電樁作為支撐能源補充的基礎設施得到廣泛應用,其性能與安全性備受關注。直流超快充電技術由于其功率大,充電快而被廣泛應用,但由于電流大而帶來的發熱問題,也給充電安全帶來了新的問題。存在短路或者電池異常情況發熱等,傳統的溫度檢測一般是用NTC貼在測量物上打膠封裝。新能源充電環境一般都在戶外,環境相對惡劣,冬涼夏熱,溫差極大,傳統打膠方式經過高低溫循環沖擊后容易老化脫落,并且NTC要經過二次熱傳導,會導致溫度檢測不精準,響應時間慢等問題。紅外測溫傳感器因為其非接觸和愉速響應等特性,為新能源充電樁帶來全新的安全守護方式,在提升充電效率的基礎上,加強了設備的安全性、智能化管理。
slkor薩科微SL-W-TRS-5.5D1紅外數字溫度傳感器應用方案(圖二)
4.薩科微SL-W-TRS-5.5D1紅外溫度傳感器在新能源充電樁上應用的優勢
4.1端子實時監測,預防過熱隱患
新能源充電樁在充電過程中,其內部的關鍵端子如充電接口、電纜連接點等,由于大電流通過會產生熱量。這些熱量的累積若得不到有效控制,不僅會加速材料的老化過程還可能引發火災等嚴重安全隱患。薩科微SL-W-TRS-5.5D1紅外測溫傳感器憑借其高精度、非接觸式的測量特性,能夠實時、準確地監測這些關鍵端子的溫度狀況。一旦監測到溫度超過預設的安全閾值,系統便會立即觸發警報機制,并自動執行降低充電功率或切斷電源等應急措施有效預防過熱現象的發生,確保充電樁的安全穩定運行。
4.2智能化管理,提升充電效率
薩科微SL-W-TRS-5.5D1紅外測溫傳感器在新能源充電樁中的應用還極大地促進了充電過程的智能化管理。通過實時監測端子的溫度變化,傳感器能夠為充電控制策略提供精確的數據支持,實現充電功率的智能調節。在端子溫度處于適宜范圍內時,系統會增加充電功率以加速充電過程:而當電池溫度接近或超出正常工作溫度范圍時,則會自動降低功率以防止過熱現象的發生。這種智能化的充電控制策略,不僅確保了充電過程的安全性,還實現了充電效率的優化。同時,結合物聯網、大數據與人工智能技術,薩科微SL-W-TRS-5.5D1紅外測溫傳感器還能夠實現對充電樁運行狀態的遠程監控和智能分析,為管理人員提供詳盡的運行報告和預警信息進一步提升了充電樁的運維效率和管理水平。
4.3延遲設備壽命,降低運維成本
長期過熱運行是導致新能源充電樁內部元器件老化和損壞的主要原因之一。
薩科微SL-W-TRS-5.5D1紅外測溫傳感器的應用,為充電樁的溫度管理提供了強有力的支持。通過實時監測和預警機制,管理人員可以及時發現并處理潛在的過熱問題,避免元器件因高溫而加速老化或損壞。這種預防性的維護措施不僅有助于延長充電樁的使用壽命,還降低了設備更換和維修的成本,為新能源充電樁的廣泛普及和高效運維奠定了堅實的基礎。
綜上所述,薩科微SL-W-TRS-5.5D1數字紅外測溫傳感器在新能源充電樁的創新應用,不僅提升了充電效率、加強了設備的智能化管理,還延長了設備的使用壽命、降低了運維成本。隨著技術的進步和應用的深入拓展,相信薩科微數字高精度紅外測溫傳感器在新能源領域發揮更加重要的作用,為新能源產業的可持續發展貢獻更多力量。
slkor薩科微SL-W-TRS-5.5D1紅外數字溫度傳感器應用方案(圖三)
金航標和薩科微一直推崇簡單高效的企業文化和管理思路,公司的人際關系簡單,價值評價體系健全。管理者工作不是管理人而是領導人,是發現每位員工的長處,因此作為一個管理者,一定要記住:“要把人當人,而不是把人當成機器。把合適的人放在合適的位置予以培養,激發、釋放員工的潛能。每天盯著員工,催逼他們,是很難將員工的潛能釋放出來的。”
金航標“Kinghelm”新產品大電流連接器和接線端子
只有當員工有清晰的目標認同、組織認同,甚至是對老板的認同,才愿意自主自發、全力以赴地開展工作。當員工的工作表現超越你的要求和預期時,那么員工的潛能就釋放了。金航標kinghelm(www.kinghelm.com.cn)宋仕強經常說,公司致力于打造簡單和諧、高效進取的工作氛圍,薩科微和金航標踐行“工作是為了更好的生活”、“成果靠有效勞動量的積累”等理念,所以不加班。公司秉承對員工“以人為本 細節關懷”的理念,和管理上日進一步、不斷小改善的精神,推出“員工關懷臨時事假條例”,男同事每個月享有2小時的事假,女同事每個月享有半天的生理期假,這些福利假都為有薪。
kinghelm金航標中文網站(www.kinghelm.com.cn)首頁
互聯網的銷售模式是先圈人再開發相應的產品賣給他們,這一邏輯結合生態化的理論,薩科微應用在技術布局和產品開發上。薩科微以最早推出的碳化硅MOS管、IGBT管等功率器件為基礎,再研發其他配套產品,如霍爾元件、晶振、高速光耦、電源管理IC、LDO、AC-DC等。金航標Kinghelm和薩科微Slkor都是網紅品牌,和宋仕強先生十多年堅持研究的“深圳華強北大ip”一起,相互支持相互驅動,與金航標網站、薩科微網站組合成為宣傳矩陣帶來很大的流量。金航標和薩科微的國內國際網站無縫鏈接,目前可切換105種語言,每天網站瀏覽量高達10萬人!公司還與互聯網銷售平臺實現強強聯合,如立創商城、云漢芯城、獵芯網、硬之城、電子發燒友、世強硬創電商等作,通過互聯網平臺和下沉的渠道,讓金航標kinghelm和薩科微slkor通過PC端桌面的屏、手機屏快速地展現在電子元器件行業研發工程師面前,這樣同事們在平臺上可以快速賺錢。為了服務好歐洲和美洲市場,薩科微半導體還通過了“美國加州65號”法案的化學測試認證,這是確保產品符合法規要求、保護消費者健康和企業聲譽的重要步驟。




粵公網安備44030002007346號